Skip to Content
Manufactured in the USA
Email
Phone: 800-852-8352
Request Quote
Email Us
(800) 342-0422
RFQ
Close
About
About Us
Technical Services
Capabilities
Insulation Fasteners
Weld Studs
Stud Welding Accessories
Stud Welding Equipment
Catalog
Insulation Fasteners
Weld Studs
Stud Welding Accessories
Stud Welding Equipment
Resources
What is Stud Welding?
Literature Library
Videos
Gallery
Connections
Blog
Contact Us
Search
Products
All Categories
>
Insulation Fasteners
>
Lacing Anchors
> Lacing Hook
All Categories
All Categories
Insulation Fasteners
Insulation Fasteners
Lacing Anchors
Lacing Anchors
Lacing Hook
Lacing Hook
Lacing Hook
Request Information
Email This Page
Download PDF
Download PDF
Printable Page
Self-Locking Washers
Self-Locking Washers (Square)
self-locking-washers-square-
Self-Locking Washers (Square)
Self-Locking Washers (Round)
self-locking-washers-round-
Self-Locking Washers (Round)
/Asset/a1045.jpg
/Asset/a1045.jpg
Close Window
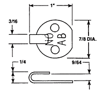
Materials
Stainless Steel
Size
One size as shown.
NO-AB
Furnished stamped NO AB to indicate non-asbestos material.
Please click the Request Information button to configure your Lacing Hook.
Unit of Measure
Imperial
Metric
Both
Your Single Source Stud Welding Specialists
Contact Us
Back to Top